欢迎光临倍特机械设备(东莞)有限公司 网站!
服务热线:
0769-82223051
网站首页
关于我们
产品中心
招商加盟
成功案例
新闻中心
在线留言
联系方式
热搜关键词:
油润滑旋片真空泵
、
进口螺杆真空泵
、
进口真空泵
、
进口真空泵厂家
、
您的位置:
首页
>
产品中心
>
罗茨真空泵
www.betem-vacuum.com
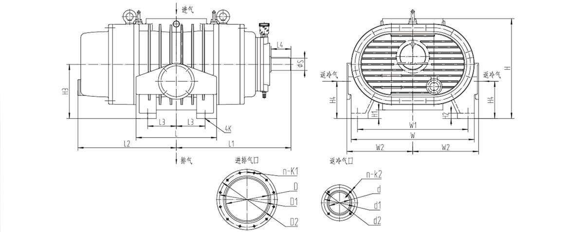
BTRQ1000-BTRQ18000
贝特真空BTRQ系列罗茨泵采用外置冷凝器使气体自动进行循环冷却转子与泵体,泵可在很高的压差下连续工作,而不会发生热过载,泵可直接排大气。该款泵可与前级泵串联使用,也可单独使用。
联系电话:0769-82223051
[
上一个:
BTR-A罗茨泵
] [
查看原图
] [
返回
] [
下一个:
BTR250-BTR9000
]
详情说明
/ Details
关于我们
公司简介
招商加盟
成功案例
在线留言
产品中心
油润滑旋片真空泵
无油旋片泵
罗茨真空泵
活塞泵
无油螺杆真空泵
爪式真空泵
真空泵机组
真空泵配件
新闻中心
新闻资讯
行业资讯
常见问题
联系方式
地 址:广东省东莞市寮步镇药勒坤明路2号通圣高新科技工业园
电 话:0769-82223051
扫码访问手机站